• 1
  • 2

欢迎登陆江苏爱姆欧光电材料有限公司网站!

   新闻中心



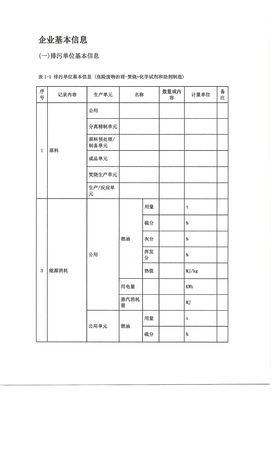
排污许可证执行报告
2024-2-26
:
:  2500        作者:未知

   新闻内容



销售经理:沈先生 TEL:13776601785 电话: 0511-88050387 传真: 0511-88050386

Copyright  2020-2013,www.js-mo.com,All rights reserved  苏ICP备2021001493号    苏公网安备32110102321665号

技术支持:江苏网博